在步進電機中,有很多入行或者剛入行的工程師會問,作為電源驅動的電機產品,步進電機在驅動電路的種類方法有那些?下面漢德保小編就總結一下步進電機驅動電路的種類構造分解一下給大家,一起了解一下:
按照步進電機電路結構區分,種類是很多的,但是常用的驅動電路的種類可以分為以下三種:
1、單電源驅動電路
漢德保小編整個圖片給大家直觀了解一下:

單電源驅動電路圖
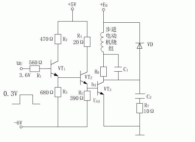
2、雙電源驅動電路
廢話不多說,上圖

雙電源低壓驅動電路
3、伺服控制
(1)執行部件的位移量控制
(2)執行部件移動速度的控制
(3)執行部件移動方向的控制
以上就是小編總結的步進電機驅動電路的種類,才華有限,分享不到,歡迎大家指點。
可以關注漢德保電機,18年品質制造,專注于步進電機,驅動革命,為大家帶來更加美好的自動化產業!